Descrizione
ESTRATTORE FUMI EBM
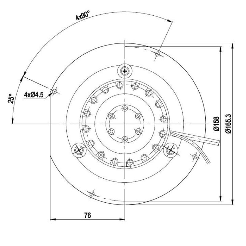
Estrattore, aspiratore fumi EBM R2E150-AN91-63 progettato per l’impiego in stufe a pellet e caldaie a biomasse.
Provvisto di girante in acciaio AISI 430.
Progettato per una portata massima di 185 m3/h.
Equipaggiato con sensore ad effetto hall (encoder).
Conforme alle norme EN 60335-1; CE, con classe di isolamento F e classe di protezione I.
Può sostituire l’estrattore AACO ST73M 150.OR.20.32 – EBM R2E150-AN91-13 – R2E150-AN91-22 – R2E150-AN91-57.
Monta su stufe
– ANSELMO COLA ref. 453552201 – 599001080 mod. Afrodite – Blitz – Blitz HR – Focus HR – Global 2011 – Sprint
– ANSELMO COLA ref. 599001070 – 453554205 mod. Loto HR.
– ANSELMO COLA ref. 453554120 – 599000680 mod. Oasi
– ARCE ref. 1611905484 mod. Circle – Circle Canalizzata Plus – Circle Canalizzata – Circle Idro Large – Circle Idro Medium – Circle Idro Small – Circle j Plus – Circle j – Circle Plus – Hetna – Hetna j Plus – Hetna j – Hetna Plus – Lexia – Lexia j Plus – Lexia j – Lexia Plus
– CADEL ref. COM0236 mod. Adina – Erika – Miki – Moon – Slim – Titania – Wall
– CADEL ref. 4D14512028 mod. Cloe – Cloe3 – Diana – Eolo – Family – Martina – Nice – Solaris – Vanessa – Venus – Wall
– CAMINETTI MONTEGRAPPA ref. 1040001100 mod. Ap 6 – Ap 9 – Ap 11 – As 6 – As 6 Evo – As 9 – As 9 Evo – Atomo 65 – Atomo 75 – Atomo 85 – Atomo 2.0 65 – Atomo 2.0 75 – Atomo 2.0 85 – Atomo 6 Evo – Atomo 9 Evo – Atomo 11 Evo – AX9 – AX11 – Inside W7 – Inside W9 – Inside W12 – Inside W15 – Inside W20 – Inside X9 – Inside X12 – LP6 – LP9 – LW7 – LW9 – LW12 – LW15 – LW20 – LX9 – LX12.
– CAMINETTI MONTEGRAPPA ref. 1040001400 mod. LXE6 – LXE9 – LXE12.
– CAMINETTI MONTEGRAPPA ref. 1040100001 mod. Pellet Plus 1000 – Pellet Plus 5000 – Pellet Plus Nuova 5000 – Pellet Plus 6000AC – Pellet Plus 6000AV – Pellet Plus 7000AC – Pellet Plus 7000AV – Pellet Plus 8000 – Pellet Plus 8000 Power – Pellet Plus 10000 – Pellet Plus 10000 Power – Pellet Plus 11000 – Pellet Plus 11000 Power – Pellet Plus 14000 – Pellet Plus 15000 – Pellet Plus 15000 Power – Pellet Plus 15000 Power 25
– CLAM Cod. 05010004 Mod. Brooklyn – New York – Vienna – Parigi – Pulsar – Niagara – Retrò – Vintage – Vittoria 20 kW – Vittoria 26 kW
– CLAM Cod. 05010378 Mod. Elegance – Oslo – Style – Time
– CLAM Cod. 05020771 Mod. Pratico Small+
– CLAM Cod. 05010352 Mod. Favilla F.P. 15 – Molina – Tivoli 8/20 kW – VittoriaEVO 20 kW
– DEVILLE ref. D0026082 – D0026496 mod. Lohic – Vestalis
– ECOTECK ref. 20000-25-001-RK.
– ECOTECK ref. 55000-RK.
– ECOTECK ref. 170-02-001A-RK.
– EDILKAMIN ref. 625580 mod. Adria – Alpen – Ande – Brezza – Danubio – Esprit – Fantasy – Fata – Feeling 2009 – Fuji – Karma 2009 – Magic – Nilo – Pellet blok – Polaris plus – Prestige – Rio – Sally – Sally plus – Sirena – Soleil plus – Story – Tania plus – Ural
– EDILKAMIN ref. 292220 mod. Aida – Medea – Pellbox SCF – Polaris – Serena – Soleil – Tania
– EDILKAMIN ref. 215130 mod. Alba Marea 2003 – Alba Marea 2004 – Alba 2005 – Arianna – Artemide – Atena – Basic – Basic Plus – Bering Plus – Bijoux – Brio – Cameo – Cameo – Charme – Cherie – Daisy – Dallas – Dida – Dida Plus – Ecoidro – Elise – Feeling – Flexa – Fox 1 – Fox 2 – Fox 3 – Funny – Idrofast – Idroflexa C – Idroflexa estero – Idrofox – Idropellbox – Idrosally – Idrotech – Iris 2004 – Iris 2005 – Iris plus – Iris con programmatore orario – Iris up – Junior – Karma – Kelly – Lilia – Lilia plus – Little – Logo – Marea 2008 – Mariù – Meg – Mimì – Moon – Nancy – Nelly – Norma – Pellgreen 12 – Pellgreen 15 – Pellgreen 18 – Rose – Seven – Space – Strass – Ten – Ten plus – Tiny – Tiny ceramica intera – Trend – Trend 2005 – Trend plus – Tresor – Vintage
– EVA CALOR.
– FALDI.
– FERROLI ref. 599001070 – 453554205 mod. Antares
– FERROLI ref. 599001080 – 453552201 mod. Nettuno – Penelope – Termo Giove – Termo Vega – Termo Sirio
– KARMEK ONE ref. SML506-01 mod. Alice – Amelia – Barcellona – Berlino – Elena – Greta – Linda – Marylin – Roma – Samantha – Saturno
– KARMEK ONE ref. SML506-02 mod. Siviglia acciaio
– KARMEK ONE ref. SML506-00.
– MORETTI DESIGN rif. MFRR2E150 Mod. MINERVA 2 – MINERVA 3 – GENIUS 24 – ORUS 2 – ORUS 3 – POSEIDON 2 – POSEIDON 3 – GEMINI – AQUA SLOT 20
– NORDICA EXTRAFLAME Ref. 002271001 – 2271001 Mod. Baby fiamma – Bella – Bella lux – Confort MINI – Confort P80 – Contessa – Delizia – Eco Fiamma – Preziosa
– NORDICA EXTRAFLAME Ref. 002271022 – 2271022.
– NORDICA EXTRAFLAME Ref. 002271023 – 2271023 Mod. Clementina – Comfort idro – Comfort Plus – Confort MAXI – Divina – Duchessa – Duchessa Idro – Duchessa Steel – Ecologica – Ecologica Idro Steel – Elisir – Elisir Crystal – Elisir Idro – Emma – Emma Plus – Esmeralda – Falò – Giordana – Graziosa Lux – Graziosa Lux Plus – Graziosa Steel – Graziosa Steel Plus – Irina – Isabella – Iside Idro – Karolina – Karolina Steel – Melinda Idro – Melinda Idro Steel – Preziosa Steel – Rosy – Teodora – Tosca Plus
– NORDICA EXTRAFLAME Ref. 002271041 – 2271041 Mod. Souvenir Lux – Souvenir Steel.
– PALAZZETTI Ref. 895700600 mod. Aurora – Clemy – Diamante – Fenice – Multifire 45 Aria V09 – Multifire 45 Aria V09 P.Tonda – Multifire 45 Idro – Margherita – Ecofire Mini Lux – Nicoletta Aria – Nicoletta Idro – Inserimento Canalizzato – Ecofire Idro – Ecofire Mini Standard – Multifire 45 Aria – Polly – Minnie – Tizzy – Lara – Molly – Molly idro – Sissy – Sissy Idro – Gaja Canalizzata – Jenny Turbo – Emi – Freddy Idro – Ecofire DUE Classic – Ecofire Freddy Aria 2004 – Multifire 45 Idro NG – Hotty – Ecofire Maxi Idro – Zaira.
– PIAZZETTA Ref. RF02010390 mod. MP 970.
– RAVELLI ref. 20000-25-001-RK Per tutti i modelli con connettore 9 e 3 poli. Sostituisce il cod. 20000-24-101.
– RAVELLI ref. 55000-RK mod. HR100 – HRV120 ver.2 – HRV135 ver.2 – HRB160 – HRV160 12 – HRevo 18 – HRV170 – Spillo – Aurora – HRV120 Style – Evavision – Snella ver.2 – HRevo 14 – HR160 – Snella – R70 – RC70 2014 – Monica – Flavia 2014 – Lisa plus 14 – Vera canvent – Snellina – HRV160 2014 – HRevo18 Touch- RCV1000 – HR70 – HRevo14 Touch – HRB120 – Holly Style – Soffio – Aria – RV80 2015 – RCV1000 2015 – Natural 7/9 – HRV160 Touch – Vittoria aircan – HR evo Slim – Natural 11 – Chiara.
– RAVELLI ref. 170-02-001A-RK mod. HR100- HRV120 ver.1 – Riviera – HRV135 ver.1
– ROYAL
– SICALOR mod. GOYA
– SUPERIOR ref. RF02010510.
– THERMOROSSI
– UNGARO mod. AQA 18 KW.
– ZIBRO ref. COM0236.
– ZIBRO ref. COM0259.
SCOPRI TUTTI I NOSTRI RICAMBI PER STUFE
Perché scegliere pezzi di ricambio originali
Chissà quante volte sarà capitato di valutare l’opportunità di acquistare un pezzo di ricambio compatibile e non originale per un intervento di manutenzione oppure di riparazione dell’impianto di riscaldamento. Quello che potrebbe essere visto come un atto necessario per risparmiare, in realtà si potrebbe rivelare controproducente. Infatti è essenziale scegliere ed acquistare esclusivamente pezzi di ricambio originali soprattutto per i dispositivi che devono trasformare una tipologia di energia in energia calorifica.
Essi dispongono, infatti, di circuiti e tecnologie molto precise che potrebbero non funzionare più in maniera corretta nel caso in cui si vada ad inserire un pezzo di ricambio che può sembrare del tutto identico, ma che potrebbe presentare invece delle differenze anche per quanto riguarda i materiali.
Il rischio è quello di far funzionare correttamente il dispositivo per qualche giorno per poi iniziare a vedere alcuni scompensi che potrebbero aumentare il consumo energetico e comportare danneggiamenti ben più gravi. Quindi, è conveniente rivolgersi a rivenditori specializzati per acquistare pezzi di ricambio e di fumisteria originali e di grande qualità.




